Мы используем файлы cookies в целях совершенствования нашего веб-сайта, а
также повышения удобства его использования. Отключить cookies вы можете в настройках браузера.
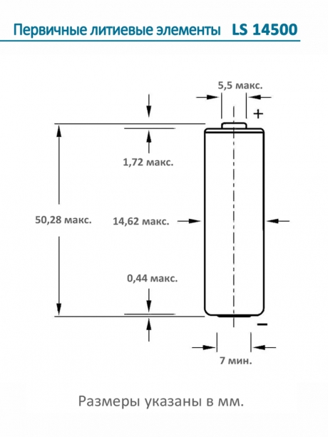
Батарейка Saft LS 14500 (AA) пальчикового типа применяется в различных устройствах с малым энергопотреблением, преимущественно в счетчиках, датчиках, расходомерах и пр. Это батарейка, а не аккумулятор. Не заряжать - взорвется!
Данную модель отличает высокая емкость, которая составляет 2600 мАч. Благодаря такому значению батарея сможет проработать без подзарядки длительное время. Ее напряжение составляет 3,6 В. Не использование батареи в течение года приведет к потере заряда лишь 1% от общего объема.
Также, доступны ряд аналогов других производителей.
Абсолютно все литий-тионилхлоридные элементы питания с маркировкой ER должны быть депассивированы (активированы) перед использованием.
Тонкая пленка, образующаяся сразу после сборки элемента на заводе, снижает его выходное напряжение под нагрузкой до 2-2,5В или даже ниже вместо номинальных 3,6V. Это приводит к тому, что прибор после установки батарейки не запускается вообще или работает несколько месяцев и выключается. С другой стороны, эта пленка, возникшая в процессе пассивации, снижает ток саморазряда и позволяет хранить элементы питания до 10 лет в рабочем состоянии.
Убедиться, что элементу требуется депассивация, очень легко. Устанавливаете элемент питания в прибор, включаете и под нагрузкой измеряете напряжение. Если оно ниже 3,2В, то долго батарейка не проработает.
Большинство литий-тионилхлоридных элементов рассчитаны на длительную работу в различных датчиках на микротоках и нагружая их в процессе депассивации большими нагрузками, мы разрушаем эту тонкую пленку и восстанавливаем напряжение до номинального.
Не забывайте в процессе депассивации контролировать напряжение! Излишне долгое нахождение батарейки под нагрузкой снижает ее емкость безо всякой пользы. Подробно выполнение депассивации описано здесь.
В нашем интернет-магазине продаются только оригинальные элементы питания Saft. В настоящее время Saft производится во Франции, Великобритании и Китае.
Данный элемент питания может иметь маркировку: ER 14505(AA), TL-5903,
TL-2100, TL-4903, TL-5104, SL-360/S, SL-760/S, XL-060F, ER6S-TC, ER6,
ER6C, ER6LV.
В нашем интернет-магазине Вы можете купить батарейку Saft LS 14500 (AA) с доставкой в Воронеж.
Ваша оценка может быть важна для других. Оставьте отзыв.
Saft LS 14500 (AA) : вопросы и ответы
Хочу заказать 7 батареекLS 14500 3.6v. Как это сделать ?
Очень просто) Кладете нужное кол-во батареек в корзину и переходите к оформлению заказа. Вводите номер телефона, выбираете способ и адрес доставки, способ оплаты, подтверждаете заказ. Далее Вам приходит номер Вашего заказа в виде смс на указанный номер телефона, также ссылка на страницу заказа на указанный e-mail. На странице заказа Вам будет виден статус заказа и место его нахождения)
Здравствуйте. Интересует дата производства этих АКБ
Добрый день, Михаил! На нашем складе всегда "свежие" батарейки и аккумуляторы. Если Вам необходима точная дата выпуска, то Вы можете связаться с нами по бесплатному номеру телефона 8 (800) 775–8003.
8524184869
Задать вопрос
Не нашли интересующую информацию по данному товару? Задайте ваш вопрос или оставьте комментарий.
Цены, указанные на
данном сайте, действуют только при условии оформления покупки через
интернет-магазин.
Информация о технических характеристиках, комплекте поставки и внешнем виде товара
носит справочный характер и может быть изменена производителем без предварительного
уведомления.
Прекрасная работа. Заказ отработали на пять, быстрая недорогая доставка СДЭКом. Буду теперь постоянным клиентом.
источник:
Геннадий14. 10. 2025.
5Отличный магазин
Один из немногих магазинов, где все функции выполняются в полном объёме, без сбоев и недоразумений. Хороший выбор товаров, удобный подбор по параметрам, оплата и доставка - без нареканий. Приятно работать. Спасибо,
источник:
Андрей13. 10. 2025.
5Отличный магазин
Отличный магазин, оформил заказ за 5 минут. Через 4 дня доставили сдэком в Самару, вес четко и быстро.
источник:
Сергей 09. 10. 2025.
5Отличный магазин
Прекрасный магазин
источник:
Максим 07. 10. 2025.
5Отличный магазин
Замечательный магазин с большим выбором товара. Работают быстро,чётко, поддержка моментально выходит на связь. Рекомендую!!!Не пожалеете!!!
Заполните форму ниже и наши специалисты свяжутся с вами в
ближайшее время в часы работы службы поддержки с 9:30 до 18:00 по МСК.
Сообщить об ошибке
Если вы нашли ошибку в описании или характеристиках данного товара, будем вам признательны за информацию об
этом.
Если Вам необходимо получить ответ на данное сообщение, то укажите Ваш контактный e-mail.
Заказать обратный звонок
Заполните форму ниже и наши специалисты перезвонят Вам в указанное
время или в ближайшее возможное в период режима работы службы поддержки с 9:30 до 18 по МСК.
Войти в профиль
По телефону
E-mail и пароль
+7
Укажите номер мобильного телефона, чтобы мы
смогли вас идентифицировать для входа в личный кабинет.
В интернет-магазине ВОЛЬТА за покупку товаров начисляются бонусы. Сумма начисляемых бонусов зависит от конкретного товара и выводится под его ценой. Начисление бонусов доступно только для авторизованных на сайте покупателей.
Бонусами можно оплатить до 20% от стоимости покупки. 1 бонус = 1 рубль